线槽连接片 - 终端盖板
|
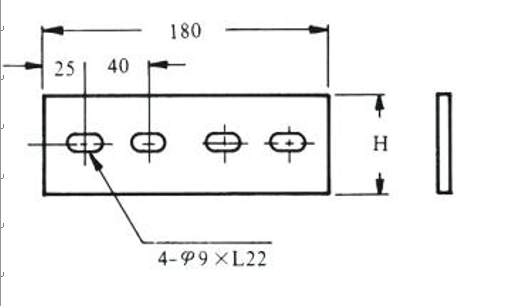
型 號 CAT NO |
高 度 H |
|
CLW1B |
73 |
|
CLW2C |
93 |
|
CLW3D |
113 |
|
CLW4L |
143 |
|
型 號 CAT.NO |
線槽寬度 W |
線槽高度 H |
|
CLWB1 |
93 |
73
93
113
143 |
|
CLWB2 |
193 |
|
|
CLWB3 |
293 |
|
|
CLWB4 |
393 |
|
|
CLWB5 |
493 |
|
|
CLWB6 |
593 |
|
|
CLWB7 |
693 |
|
|
CLWB8 |
793 |
|
|
CLWB9 |
893 |
|
|
CLWB0 |
993 |

